Accumula BROpoints con ogni acquisto!

Descrizione

SKU: 26026
EAN: 4019787498272

Dotazione:

- 100x HECO MULTI MONTI plus MS Vite di ancoraggio 7,5 x 35 mm

Descrizione prodotto:

La vite di ancoraggio MULTI MONTI plus di HECO è un ulteriore miglioria della vite per calcestruzzo MULTI MONTI. La particolarità della vite è che può essere affondata in un foro preforato senza tassello e può essere caricata immediatamente. Grazie alla dentellatura rinforzata sulla punta della vite, una filettatura interna viene avvitata nel materiale da costruzione. Il risultato è una chiusura di forma attraverso la quale avviene l'ancoraggio. L'alto livello di sicurezza dell'applicazione fornito da questo processo garantisce la sicurezza sia dell'utente che dell'avvitatore. Il MULTI MONTI può essere facilmente lavorato vicino al bordo senza una chiave dinamometrica. Inoltre, la vite può essere smontata e anche riutilizzata se necessario. Heco è un produttore leader di viti, alta qualità e una lunga tradizione distinguono l'azienda. 

Dati tecnici:

Produttore: HECO
Numero del produttore: 49827
Designazione del produttore: MULTI MONTI plus MS
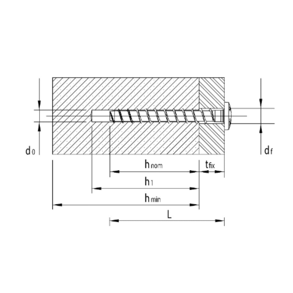
Spessore di montaggio, tfix1: 1 mm
Dimensione guida: T30
Diametro del foro, d0: 6,0 mm
Profondità del foro, h1: 40 mm
Foro passante nell'attacco, df: 9 mm
Profondità di avvitamento, hnom1: 35 mm
Lunghezza del filetto, lg: 32 mm
Diametro della testa, dk: 17,0 mm
Potenza massima consigliata dell'avvitatore ad impulsi, Tmax1: 120 Nm
Spessore minimo del componente, hmin: 100 mm
Distanza minima dal bordo, cmin: 30 mm
Diametro, d: 7,5 mm
Lunghezza, l: 35 mm
Design della testa: testa tonda piatta
Guida: T-Drive
Materiale: acciaio al carbonio
Superficie: blu galvanizzato, A2K
Valutazione tecnica europea: ETA-15/0785
Classe di resistenza al fuoco: F120/R120
Approvazione degli irrigatori: Sì
Approvazione generale dell'autorità edilizia: Z-21.1-210

Forma del prodotto

HECO MULTI MONTI plus MS Vite di ancoraggio 7,5 x 35 mm - 100 pz. ( 49827 ) Vite per calcestruzzo, testa tonda piatta, T-Drive, zincata blu, A2K

  • Produttore HECO
  • Condizione  Nuovo prodotto
  • Unzufrieden? 100 Tage kostenfreie Retoure
€19,80
IVA incl., spese di spedizione escl.
    • American Express
    • Apple Pay
    • Google Pay
    • iDEAL
    • Klarna
    • Mastercard
    • +12 weitere

    +780.000 BROs folgen uns auf

     

    Smarte Produktberatung

    Rechnung, Versand & GPSR

    Versand & Rechnung durch: Dinotech e.K.

    Persona responsabile per l'UE (GPSR) Operatore economico stabilito nell'UE che garantisce che il prodotto è conforme alle normative richieste.
    • HECO-Schrauben GmbH & Co. KG
    • Dr.-Kurt-Steim-Straße 28
    • 78713 Schramberg
    • Germany
    • +4974229890
    • info@heco-schrauben.de

    Descrizione

    SKU: 26026
    EAN: 4019787498272

    Dotazione:

    - 100x HECO MULTI MONTI plus MS Vite di ancoraggio 7,5 x 35 mm

    Descrizione prodotto:

    La vite di ancoraggio MULTI MONTI plus di HECO è un ulteriore miglioria della vite per calcestruzzo MULTI MONTI. La particolarità della vite è che può essere affondata in un foro preforato senza tassello e può essere caricata immediatamente. Grazie alla dentellatura rinforzata sulla punta della vite, una filettatura interna viene avvitata nel materiale da costruzione. Il risultato è una chiusura di forma attraverso la quale avviene l'ancoraggio. L'alto livello di sicurezza dell'applicazione fornito da questo processo garantisce la sicurezza sia dell'utente che dell'avvitatore. Il MULTI MONTI può essere facilmente lavorato vicino al bordo senza una chiave dinamometrica. Inoltre, la vite può essere smontata e anche riutilizzata se necessario. Heco è un produttore leader di viti, alta qualità e una lunga tradizione distinguono l'azienda. 

    Dati tecnici:

    Produttore: HECO
    Numero del produttore: 49827
    Designazione del produttore: MULTI MONTI plus MS
    Spessore di montaggio, tfix1: 1 mm
    Dimensione guida: T30
    Diametro del foro, d0: 6,0 mm
    Profondità del foro, h1: 40 mm
    Foro passante nell'attacco, df: 9 mm
    Profondità di avvitamento, hnom1: 35 mm
    Lunghezza del filetto, lg: 32 mm
    Diametro della testa, dk: 17,0 mm
    Potenza massima consigliata dell'avvitatore ad impulsi, Tmax1: 120 Nm
    Spessore minimo del componente, hmin: 100 mm
    Distanza minima dal bordo, cmin: 30 mm
    Diametro, d: 7,5 mm
    Lunghezza, l: 35 mm
    Design della testa: testa tonda piatta
    Guida: T-Drive
    Materiale: acciaio al carbonio
    Superficie: blu galvanizzato, A2K
    Valutazione tecnica europea: ETA-15/0785
    Classe di resistenza al fuoco: F120/R120
    Approvazione degli irrigatori: Sì
    Approvazione generale dell'autorità edilizia: Z-21.1-210

    Visualizzati di recente

    Le domande più frequenti in sintesi

    Come posso pagare il mio ordine? Come posso pagare il mio ordine?

    Offriamo un gran numero di metodi di pagamento sicuri:

    Metodi di pagamento online

    PayPal, KLARNA, Google Pay, Apple Pay e Shop Pay.

    Carte di credito

    Puoi anche pagare con le comuni carte di credito VISA, MasterCard e American Express. In questo caso il pagamento è protetto dal metodo 3D Secure. Se dovessimo avere indicazioni di un ordine fraudolento, lo annulleremo automaticamente.

    Come posso pagare il mio ordine?
    Come posso ricevere una fattura?

    Riceverai automaticamente la fattura dopo il pagamento in un'e-mail separata dal nostro partner di spedizione. Quindi non arriva direttamente con la conferma di ricezione. Inoltre, l'ordine è accompagnato da una fattura in formato cartaceo.

    Si prega quindi di controllare di nuovo attentamente nella cartella spam e di contattarci qui nel nostro portale di fatturazione.

    Reso: voglio restituire qualcosa

    Se desideri restituire il tuo ordine o parte di esso e provieni dall'UE 🇪🇺, consulta il nostro portale per i resi.

    Per i resi dalla Svizzera 🇨🇭 e dal Liechtenstein 🇱🇮, utilizza questo portale per i resi

    ¿Dónde está mi pedido?

    Hay varias formas de seguir el estado del envío:

    El envío suele tardar entre 1 - 4 días laborables. Si tarda más o si cree que el paquete ha desaparecido, póngase en contacto con nosotros a través de nuestro portal de incidencias.

    La tua famiglia di utensili

    • <strong>Consulenza personale</strong>

      Consulenza personale

      A differenza di molte altre piattaforme, con noi riceverai una consulenza personale e un servizio di assistenza in qualsiasi momento.

    • <strong>Spedizione veloce</strong>

      Spedizione veloce

      Garantiamo che riceverai il tuo ordine di solito entro 1 - 4 giorni lavorativi. Per farlo, collaboriamo con rivenditori accuratamente selezionati.

    • <strong>I migliori prezzi</strong>

      I migliori prezzi

      Per ogni articolo con questo simbolo, attualmente riceverai da noi il miglior prezzo online (rispetto al mercato tedesco). Troverai le informazioni esatte sulle pagine dei prodotti.

    Questo è Toolbrothers

    Gli attrezzi sono il motore della nostra società. Non importa se stai costruendo una casa, hai comprato un armadio IKEA o vuoi finalmente riparare il rubinetto che perde. Hai bisogno di attrezzi. Noi ti forniamo gli attrezzi, e lo facciamo in stile Toolbrothers.

    • Super veloce
    • Affidabile
    • Con il miglior servizio

    Login

    Hai dimenticato la password?

    Non hai ancora un conto?
    Creare un profilo