Verzamel bij elke aankoop BROpoints!

Direkt ist günstiger für Dich!Direkt ist günstiger für Dich!

Wusstest du, dass Preisvergleich-Plattformen und Suchmaschinen bei jedem Kauf fett mitverdienen? Über 20 % vom Preis gehen nur für Werbung drauf – und das zahlen am Ende alle mit. Wir sagen: Nein danke und möchten die Werbekosten lieber als Preisreduktion an Euch weitergeben!

Aus diesem Grund übermitteln wir nicht mehr unseren gesamten Bestand, die Bestpreis-Angebote und Deals an die großen Plattformen und können Dir so - neben den Geschenken, BROpoints und anderen Vorteilen - wesentlich bessere Preise geben, die Du ausschließlich bei uns findest. Deswegen lohnt es sich, ohne Umwege, direkt zu uns zu kommen.

Initiative für bessere Preise und mehr Fairness im Online-Handel.

Finde hier ALLE ANGEBOTE, für die wir derzeit den Online-Bestpreis haben.

Omschrijving

SKU: 74482
Barcode: 4015540964350

Lieferumfang:
Panik-Einsteckschloss 1201 Panik-Funktion E abgerundet

Produktbeschreibung:
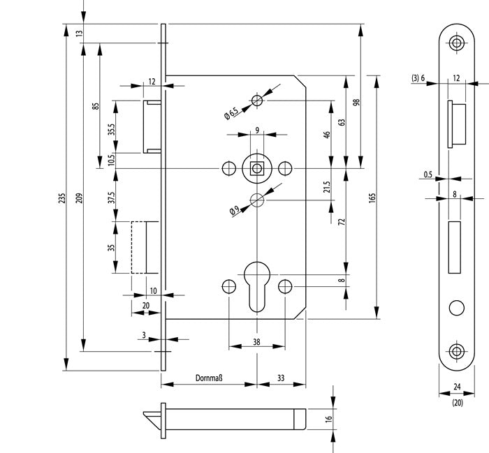
Panik-Wechselfunktion E · für einflügelige Holz- oder Stahltüren · in Kombination mit geprüften Beschlägen nach EN 179 (Notausgänge) und nach EN 1125 (Paniktüren) zugelassen ·Feuerschutzeignung · zweitourig · 1-teilige Nuss · vorgerichtet für Profilzylinder · Falle und Riegel aus Stahl · Entfernung 72 mm · Vierkant 9 mm · Stulplänge 235 mm · allseitig geschlossener Schlosskasten

Technische Daten:

  • Riegel: Stahl
  • Norm: DIN 18250
  • Schlosskasten: allseitig geschlossen
  • Riegelausschluss: 20mm
  • Falle: Stahl
Productformulier

BKS Panik-Einsteckschloss 1201 Panik-Funktion E abgerundet ( 3000251586 )

  • Fabrikant BKS
  • Staat  Nieuw product
  • Unzufrieden? 100 Tage kostenfreie Retoure
    €49,38
    incl. BTW, excl. verzendkosten

    Op voorraad Levering tot waarsch.  wo, 26.11.2025

      • American Express
      • Apple Pay
      • Google Pay
      • iDEAL
      • Klarna
      • Mastercard
      • +12 weitere

      +780.000 BROs folgen uns auf

       

      Smarte Produktberatung

      Rechnung, Versand & GPSR

      Versand & Rechnung durch: Dinotech e.K.

      Verantwoordelijke persoon voor de EU (GPSR) In de EU gevestigde economische operator die ervoor zorgt dat het product voldoet aan de vereiste regelgeving.
      • infoservice@bks.de
      • +4920512010
      • Germany
      • 42549 Velbert
      • Heidestr. 71
      • BKS GmbH

      Omschrijving

      SKU: 74482
      Barcode: 4015540964350

      Lieferumfang:
      Panik-Einsteckschloss 1201 Panik-Funktion E abgerundet

      Produktbeschreibung:
      Panik-Wechselfunktion E · für einflügelige Holz- oder Stahltüren · in Kombination mit geprüften Beschlägen nach EN 179 (Notausgänge) und nach EN 1125 (Paniktüren) zugelassen ·Feuerschutzeignung · zweitourig · 1-teilige Nuss · vorgerichtet für Profilzylinder · Falle und Riegel aus Stahl · Entfernung 72 mm · Vierkant 9 mm · Stulplänge 235 mm · allseitig geschlossener Schlosskasten

      Technische Daten:

      • Riegel: Stahl
      • Norm: DIN 18250
      • Schlosskasten: allseitig geschlossen
      • Riegelausschluss: 20mm
      • Falle: Stahl

      Recent bekeken

      Top vragen in één oogopslag

      Hoe kan ik mijn bestelling betalen?

      We bieden een groot aantal veilige betaalmethoden:

      Online betaalmethoden

      PayPal, KLARNA, Google Pay, Apple Pay en Shop Pay.

      Creditcards

      U kunt ook betalen met de gangbare creditcards VISA, MasterCard en American Express. De betaling wordt in dat geval via de 3D-Secure methode beveiligd. Mocht er sprake zijn van een frauduleuze bestelling, dan annuleren wij deze automatisch.

      Hoe krijg ik een factuur?

      Je ontvangt de factuur automatisch na ontvangst van de betaling in een aparte e-mail van onze verzendpartner. Deze wordt dus niet direct met de orderbevestiging meegestuurd. Daarnaast wordt er een papieren factuur bij de bestelling gevoegd.

      Kijk daarom ook nog eens goed in je spamfolder en neem anders contact met ons ophier in ons factuurportaal.

      Retourneren: Ik wil iets terugsturen

      Als je je bestelling of een deel ervan wilt retourneren en je komt uit de EU 🇪🇺 kom jebekijk dan ons retourportaal.

      Voor retouren vanuit Zwitserland 🇨🇭 en Liechtenstein 🇱🇮 gebruik dit retourportaal

      Waar is mijn bestelling?

      Es gibt verschiedene Möglichkeiten den Sendungsstatus zu verfolgen:

      Der Versand benötigt in der Regel 1 - 2 Werktage. Falls es länger dauert oder Du der Meinung bist, das Paket ist verschwunden, melde Dich hier in unserem Problem-Portal.

      Jouw gereedschapsfamilie

      • <strong>Persoonlijk advies</strong>

        Persoonlijk advies

        In tegenstelling tot veel andere platformen, krijg je bij ons een persoonlijk advies en een service, die je altijd ondersteunt.

      • <strong></strong>

      • <strong>Beste prijzen</strong>

        Beste prijzen

        Voor elk artikel met dit symbool krijg je bij ons momenteel de Online-Bestpreis. De exacte informatie hierover vind je op de productpagina's.

      Dit is Toolbrothers

      Gereedschap is de motor van onze samenleving. Of je nu een huis bouwt, een IKEA kast hebt gekocht of eindelijk de lekkende kraan wilt repareren. Je hebt gereedschap nodig. Wij leveren je gereedschap - en dat in de Toolbrothers-Style.

      • Supersnel
      • Betrouwbaar
      • Met de beste service

      Login

      Wachtwoord vergeten?

      Heb je nog geen account?
      Maak gratis een account aan en geniet van vele voordelen.